Wytłoczka kielichowa BAUER
Przeznaczenie i zakres stosowania
Wytłoczka typu BAUER jest żeńską częścią deszczownianego szybkozłącza dźwigniowego typu BAUER UB11.D301. Tak jak całe szybkozłącze zaprojektowane zostały głównie z myślą o mobilnych urządzeniach nawadniających i zagospodarowaniu gnojowicy. Szeroko wykorzystywane również w wodociągach i kanalizacji, w budownictwie drogowym, górnictwie, ratownictwie. Wytłoczka jest wspawywana do elementu króćca instalacji stanowiąc zaczep haków pierścienia i obsadę dla uszczelki szybkozłącza. W urządzeniach nawadniających i w zagospodarowaniu gnojowicy wykorzystywane wytłoczki w zależności od przeznaczenia wykonywane są z trzech rodzajów materiału: ze stali zwykłej, ze stali kwasoodpornej bądź z aluminium. Wytłoczka kielichowa BAUER jest elementem pasywnym w momencie spinania szybkozłącza – występuje naprzeciw kierunkowi przepływu.
Konstrukcja i kompletacja
Wyrób importowany z Włoch. Wykonywany jest na prasie z blachy cienkościennej ze stali spawalnej o polskim odpowiedniku ST3S. Odpowiednio ukształtowany kielich umożliwia obsadzenie wewnątrz uszczelki gumowej UB11.D305 (w wyposażeniu). Zewnętrzny kształt kielicha pozwala na zaczepienie haków pierścienia.
|
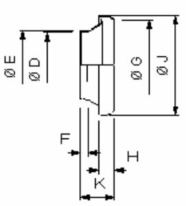
Numer katalogowy
|
Wymiary
|
Waga [kg]
|
||||||
|
ØD
|
ØE
|
F
|
ØG
|
H
|
ØJ
|
K
|
||
|
UB11.D302.50
|
48,5
|
51
|
6
|
72
|
17
|
83
|
31
|
0,12
|
|
UB11.D302.76
|
76
|
79
|
7
|
98
|
22
|
117
|
35
|
0,25
|
|
UB11.D302.89
|
88
|
92
|
10
|
120
|
25
|
137
|
45
|
0,39
|
|
UB11.D302.108
|
107
|
112
|
12
|
146
|
27
|
166
|
55
|
0,64
|
|
UB11.D302.133
|
132
|
139
|
12
|
162
|
34
|
191
|
56
|
0,92
|
|
UB11.D302.159
|
158
|
165
|
15
|
181
|
32
|
212
|
50
|
1,16
|
|
UB11.D302.194
|
193
|
201
|
22
|
222
|
35
|
266
|
82
|
2,32
|

numer katalogowy wytłoczek kwasoodpornych, za D302 zamiennie 1302 np.: UB111.1302.50
Aby uzyskać szczegółowe informacje na temat cen naszych produktów, prosimy o kontakt poprzez formularz na stronie lub wysłanie wiadomości e-mail na adres lukomet@lukomet.pl.
Odpowiemy tak szybko, jak to możliwe, podając indywidualną ofertę.
KontaktPrzeznaczenie i zakres stosowania
Wytłoczka typu BAUER jest żeńską częścią deszczownianego szybkozłącza dźwigniowego typu BAUER UB11.D301. Tak jak całe szybkozłącze zaprojektowane zostały głównie z myślą o mobilnych urządzeniach nawadniających i zagospodarowaniu gnojowicy. Szeroko wykorzystywane również w wodociągach i kanalizacji, w budownictwie drogowym, górnictwie, ratownictwie. Wytłoczka jest wspawywana do elementu króćca instalacji stanowiąc zaczep haków pierścienia i obsadę dla uszczelki szybkozłącza. W urządzeniach nawadniających i w zagospodarowaniu gnojowicy wykorzystywane wytłoczki w zależności od przeznaczenia wykonywane są z trzech rodzajów materiału: ze stali zwykłej, ze stali kwasoodpornej bądź z aluminium. Wytłoczka kielichowa BAUER jest elementem pasywnym w momencie spinania szybkozłącza – występuje naprzeciw kierunkowi przepływu.
Konstrukcja i kompletacja
Wyrób importowany z Włoch. Wykonywany jest na prasie z blachy cienkościennej ze stali spawalnej o polskim odpowiedniku ST3S. Odpowiednio ukształtowany kielich umożliwia obsadzenie wewnątrz uszczelki gumowej UB11.D305 (w wyposażeniu). Zewnętrzny kształt kielicha pozwala na zaczepienie haków pierścienia.
|
Numer katalogowy
|
Wymiary
|
Waga [kg]
|
||||||
|
ØD
|
ØE
|
F
|
ØG
|
H
|
ØJ
|
K
|
||
|
UB11.D302.50
|
48,5
|
51
|
6
|
72
|
17
|
83
|
31
|
0,12
|
|
UB11.D302.76
|
76
|
79
|
7
|
98
|
22
|
117
|
35
|
0,25
|
|
UB11.D302.89
|
88
|
92
|
10
|
120
|
25
|
137
|
45
|
0,39
|
|
UB11.D302.108
|
107
|
112
|
12
|
146
|
27
|
166
|
55
|
0,64
|
|
UB11.D302.133
|
132
|
139
|
12
|
162
|
34
|
191
|
56
|
0,92
|
|
UB11.D302.159
|
158
|
165
|
15
|
181
|
32
|
212
|
50
|
1,16
|
|
UB11.D302.194
|
193
|
201
|
22
|
222
|
35
|
266
|
82
|
2,32
|

numer katalogowy wytłoczek kwasoodpornych, za D302 zamiennie 1302 np.: UB111.1302.50
