Wytłoczka kulowa typu BAUER
Przeznaczenie i zakres stosowania
Wytłoczka kulowa BAUER jest częścią męską deszczownianego szybkozłącza dźwigniowego typu BAUER UE11.D301 Tak jak całe szybkozłącze zaprojektowane zostały głównie z myślą o mobilnych urządzeniach nawadniających i zagospodarowaniu gnojowicy. Szeroko wykorzystywane również w wodociągach i kanalizacji, w budownictwie drogowym, górnictwie, ratownictwie. W urządzeniach nawadniających i zagospodarowaniu gnojowicy wykorzystywane są wszystkie trzy rodzaje wykonania tej wytłoczki ze stali zwykłej, ze stali kwasoodpornej i z aluminium.
Konstrukcja i kompletacja
Wytłoczka kielichowa BAUER wraz z pierścieniem zamykającym UE11.D304 jest elementem aktywnym w momencie spinania szybkozłącza – występuje zazwyczaj na końcu elementu, z kierunkiem przepływu. W szybkozłączu stanowi podstawę oporową dla pierścienia i przylega do kielicha dociskając uszczelkę. Wykonywany jest na prasie z blachy cienkościennej ze stali spawalnej o polskim odpowiedniku ST3S. Odpowiednio ukształtowany kształt sferyczny umożliwia zarówno szczelne dopasowanie do wytłoczki kielichowej jak też pozwala na równomierne obsadzenie i przeniesienie obciążeń z pierścienia zamykającego spinającego całe złącze. Wyrób importowany z Włoch.
|
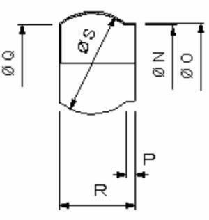
Numer katalogowy
|
Typ wytłoczki
|
Wymiary
|
Waga
[kg]
|
|||||
|
fN
|
fO
|
P
|
fQ
|
R
|
fS
|
|||
|
UB11.D303.50
|
HK50
|
48,5
|
51
|
7
|
50
|
55
|
70
|
0,13
|
|
UB11.D303.76
|
HK76
|
76
|
78
|
12
|
80
|
72
|
98
|
0,26
|
|
UB11.D303.89
|
HK89
|
89
|
92
|
14
|
90
|
91
|
120
|
0,37
|
|
UB11.D303.108
|
HK108
|
108
|
112
|
15
|
110
|
108
|
145
|
0,69
|
|
UB11.D303.133
|
HK133
|
132
|
137
|
17
|
138
|
97
|
158
|
0,81
|
|
UB11.D303.159
|
HK159
|
158
|
163
|
17
|
153
|
104
|
180
|
1,29
|
|
UB11.D303.194
|
HK194
|
193
|
201
|
24
|
200
|
133
|
230
|
1,90
|

Aby uzyskać szczegółowe informacje na temat cen naszych produktów, prosimy o kontakt poprzez formularz na stronie lub wysłanie wiadomości e-mail na adres lukomet@lukomet.pl.
Odpowiemy tak szybko, jak to możliwe, podając indywidualną ofertę.
KontaktPrzeznaczenie i zakres stosowania
Wytłoczka kulowa BAUER jest częścią męską deszczownianego szybkozłącza dźwigniowego typu BAUER UE11.D301 Tak jak całe szybkozłącze zaprojektowane zostały głównie z myślą o mobilnych urządzeniach nawadniających i zagospodarowaniu gnojowicy. Szeroko wykorzystywane również w wodociągach i kanalizacji, w budownictwie drogowym, górnictwie, ratownictwie. W urządzeniach nawadniających i zagospodarowaniu gnojowicy wykorzystywane są wszystkie trzy rodzaje wykonania tej wytłoczki ze stali zwykłej, ze stali kwasoodpornej i z aluminium.
Konstrukcja i kompletacja
Wytłoczka kielichowa BAUER wraz z pierścieniem zamykającym UE11.D304 jest elementem aktywnym w momencie spinania szybkozłącza – występuje zazwyczaj na końcu elementu, z kierunkiem przepływu. W szybkozłączu stanowi podstawę oporową dla pierścienia i przylega do kielicha dociskając uszczelkę. Wykonywany jest na prasie z blachy cienkościennej ze stali spawalnej o polskim odpowiedniku ST3S. Odpowiednio ukształtowany kształt sferyczny umożliwia zarówno szczelne dopasowanie do wytłoczki kielichowej jak też pozwala na równomierne obsadzenie i przeniesienie obciążeń z pierścienia zamykającego spinającego całe złącze. Wyrób importowany z Włoch.
|
Numer katalogowy
|
Typ wytłoczki
|
Wymiary
|
Waga
[kg]
|
|||||
|
fN
|
fO
|
P
|
fQ
|
R
|
fS
|
|||
|
UB11.D303.50
|
HK50
|
48,5
|
51
|
7
|
50
|
55
|
70
|
0,13
|
|
UB11.D303.76
|
HK76
|
76
|
78
|
12
|
80
|
72
|
98
|
0,26
|
|
UB11.D303.89
|
HK89
|
89
|
92
|
14
|
90
|
91
|
120
|
0,37
|
|
UB11.D303.108
|
HK108
|
108
|
112
|
15
|
110
|
108
|
145
|
0,69
|
|
UB11.D303.133
|
HK133
|
132
|
137
|
17
|
138
|
97
|
158
|
0,81
|
|
UB11.D303.159
|
HK159
|
158
|
163
|
17
|
153
|
104
|
180
|
1,29
|
|
UB11.D303.194
|
HK194
|
193
|
201
|
24
|
200
|
133
|
230
|
1,90
|

