Agregaty pompowe wielostopniowe serii MEK65.
Przeznaczenie
Wielostopniowe, poziome pompy elektryczne MEK włoskiej firmy ROVATTI stosowane są pompowania wody zimnej. Stosowane do pompowni zasilających systemy nawadniające, zwłaszcza do zasilania deszczowni szpulowych. Agregaty te mogą mieć zastosowanie do: podnoszenia ciśnienia w inst. zaopatrzenia w wodę, gaszenia pożarów, ciepłownictwa jako pompy obiegowe.
Przeznaczone są do pompowania wody czystej mechanicznie i chemicznie nieagresywnej o zawartości części stałych poniżej 50g/m3. Maksymalna głębokość do lustra wody 6 m. Maksymalny czas pracy przy zerowej wydajności: 2 minuty. Maksymalne ciśnienie napływu: 6 Atm. Maksymalna częstość rozruchów 6/godz. w równych odstępach czasu. Temp. Otoczenia do 40 ºC Nie należy stosować do cieczy łatwopalnych i niebezpiecznych.
Budowa
Jest to poziomy monoblok pompy wielostopniowej i silnika 3-fazowego. Części hydrauliczne wykonane są jako odlewy z wysokiej jakości żeliwa. Wirniki zamknięte, żeliwne, wyważane. Całość łatwo demontowalna. Wirniki pompy szeregowo wbudowane pomiędzy zewnętrzny korpus a wewnętrzne kierownice. Tuleja w komorze ssącej podpiera wał pompy, który jest zamontowany sztywno do silnika co daje cichą pracę bez wibracji. Standardowo sznurowe uszczelnienie wału. Uszczelnienie mechaniczne jako opcja. Silnik asynchroniczny typu zamkniętego z zewnętrzną wentylacją, zabezpieczenie IP 55, klasa izolacji F, zabezpieczenie na przegrzanie B. Łożyska silnika bezobsługowe.
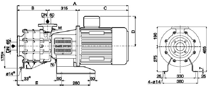
Wymiary ogólne i charakterystyka pracy
Wybrane modele pomp
|
Numer katalogowy:
UK24…
|
Silnik [kW]
|
Wydajność [m3/h]
|
Masa [kg]
|
||||||||||
|
12
|
15
|
18
|
21
|
24
|
27
|
30
|
36
|
42
|
48
|
54
|
|||
|
Podnoszenie [m]
|
|||||||||||||
|
ME10K65-22/3
|
7,5
|
88
|
82
|
79
|
73
|
67
|
60
|
52
|
|
|
|
|
129
|
|
ME12K65-22/3
|
9,2
|
103
|
100
|
96
|
90
|
84
|
77
|
69
|
|
|
|
|
135
|
|
ME15K65-22/4
|
11
|
132
|
128
|
122
|
114
|
106
|
96
|
86
|
|
|
|
|
136
|
|
ME17K65-22/4
|
13
|
150
|
145
|
136
|
127
|
117
|
105
|
93
|
|
|
|
|
177
|
|
ME12K65-32/3
|
9,2
|
|
|
87
|
83
|
79
|
74
|
69
|
58
|
41
|
|
|
135
|
|
ME15K65-32/3
|
11
|
|
|
103
|
100
|
98
|
93
|
89
|
77
|
62
|
|
|
140
|
|
ME17K65-32/3
|
13
|
|
|
109
|
105
|
104
|
100
|
96
|
84
|
61
|
|
|
148
|
|
ME20K65-32/4
|
15
|
|
|
133
|
131
|
127
|
121
|
115
|
100
|
80
|
|
|
183
|
|
ME17K65-42/3
|
13
|
|
|
|
|
93
|
90
|
88
|
80
|
70
|
56
|
40
|
148
|
|
ME20K65-42/3
|
15
|
|
|
|
|
104
|
103
|
101
|
93
|
85
|
75
|
61
|
168
|
|
ME25K65-42/3
|
18,5
|
|
|
|
|
117
|
115
|
113
|
106
|
98
|
87
|
75
|
174
|
|
ME30K65-42/4
|
22
|
|
|
|
|
147
|
145
|
143
|
133
|
121
|
108
|
91
|
205
|

Aby uzyskać szczegółowe informacje na temat cen naszych produktów, prosimy o kontakt poprzez formularz na stronie lub wysłanie wiadomości e-mail na adres lukomet@lukomet.pl.
Odpowiemy tak szybko, jak to możliwe, podając indywidualną ofertę.
KontaktPrzeznaczenie
Wielostopniowe, poziome pompy elektryczne MEK włoskiej firmy ROVATTI stosowane są pompowania wody zimnej. Stosowane do pompowni zasilających systemy nawadniające, zwłaszcza do zasilania deszczowni szpulowych. Agregaty te mogą mieć zastosowanie do: podnoszenia ciśnienia w inst. zaopatrzenia w wodę, gaszenia pożarów, ciepłownictwa jako pompy obiegowe.
Przeznaczone są do pompowania wody czystej mechanicznie i chemicznie nieagresywnej o zawartości części stałych poniżej 50g/m3. Maksymalna głębokość do lustra wody 6 m. Maksymalny czas pracy przy zerowej wydajności: 2 minuty. Maksymalne ciśnienie napływu: 6 Atm. Maksymalna częstość rozruchów 6/godz. w równych odstępach czasu. Temp. Otoczenia do 40 ºC Nie należy stosować do cieczy łatwopalnych i niebezpiecznych.
Budowa
Jest to poziomy monoblok pompy wielostopniowej i silnika 3-fazowego. Części hydrauliczne wykonane są jako odlewy z wysokiej jakości żeliwa. Wirniki zamknięte, żeliwne, wyważane. Całość łatwo demontowalna. Wirniki pompy szeregowo wbudowane pomiędzy zewnętrzny korpus a wewnętrzne kierownice. Tuleja w komorze ssącej podpiera wał pompy, który jest zamontowany sztywno do silnika co daje cichą pracę bez wibracji. Standardowo sznurowe uszczelnienie wału. Uszczelnienie mechaniczne jako opcja. Silnik asynchroniczny typu zamkniętego z zewnętrzną wentylacją, zabezpieczenie IP 55, klasa izolacji F, zabezpieczenie na przegrzanie B. Łożyska silnika bezobsługowe.
Wymiary ogólne i charakterystyka pracy
Wybrane modele pomp
|
Numer katalogowy:
UK24…
|
Silnik [kW]
|
Wydajność [m3/h]
|
Masa [kg]
|
||||||||||
|
12
|
15
|
18
|
21
|
24
|
27
|
30
|
36
|
42
|
48
|
54
|
|||
|
Podnoszenie [m]
|
|||||||||||||
|
ME10K65-22/3
|
7,5
|
88
|
82
|
79
|
73
|
67
|
60
|
52
|
|
|
|
|
129
|
|
ME12K65-22/3
|
9,2
|
103
|
100
|
96
|
90
|
84
|
77
|
69
|
|
|
|
|
135
|
|
ME15K65-22/4
|
11
|
132
|
128
|
122
|
114
|
106
|
96
|
86
|
|
|
|
|
136
|
|
ME17K65-22/4
|
13
|
150
|
145
|
136
|
127
|
117
|
105
|
93
|
|
|
|
|
177
|
|
ME12K65-32/3
|
9,2
|
|
|
87
|
83
|
79
|
74
|
69
|
58
|
41
|
|
|
135
|
|
ME15K65-32/3
|
11
|
|
|
103
|
100
|
98
|
93
|
89
|
77
|
62
|
|
|
140
|
|
ME17K65-32/3
|
13
|
|
|
109
|
105
|
104
|
100
|
96
|
84
|
61
|
|
|
148
|
|
ME20K65-32/4
|
15
|
|
|
133
|
131
|
127
|
121
|
115
|
100
|
80
|
|
|
183
|
|
ME17K65-42/3
|
13
|
|
|
|
|
93
|
90
|
88
|
80
|
70
|
56
|
40
|
148
|
|
ME20K65-42/3
|
15
|
|
|
|
|
104
|
103
|
101
|
93
|
85
|
75
|
61
|
168
|
|
ME25K65-42/3
|
18,5
|
|
|
|
|
117
|
115
|
113
|
106
|
98
|
87
|
75
|
174
|
|
ME30K65-42/4
|
22
|
|
|
|
|
147
|
145
|
143
|
133
|
121
|
108
|
91
|
205
|

