Okucie szybkozłączne węży ssących typu BAUER żeńskie
Przeznaczenie i zakres stosowania
Przeznaczone są do oprawiania zbrojonych węży ssących z PCV lub gumowych o średnicach od 50 do 200 mm układów ssących pompowni deszczownianych. Umożliwiają łatwy montaż i demontaż z innymi elementami układu ssącego zakończonymi szybkozłączami męskimi typu BAUER. Zapewniają pełną szczelność, błyskawiczne połączenie jednym ruchem ręki i swobodę zmiany kierunku połączenia w zakresie do 15O. System BAUER jest najczęściej stosowanym przez ŁUKOMET systemem połączeń deszczownianych.
Solidne okucia szybkozłączne węży ssących mogą być stosowane również do łączenia elementów tłocznych. Łagodnie ukształtowane garby sprawiają że są niezastąpione przy oprawianiu wrażliwych na miejscowe zrywanie osnowy, węży elastycznych typu flatt z PCV. Jakkolwiek, wymiar wewnętrzny węża tłocznego powinien odpowiadać wymiarowi karbowanego elementu okucia, z tolerancją + 2%, Ciśnienie robocze do 12 Atm, do wody czystej.
Konstrukcja i komplementacja
Okucie B235.310 spawane jest w osłonie CO2 z elementów z miękkiej stali konstrukcyjnej (np S235SJ, DD11): cienkościennej rury podwójnie karbowanej i wytłoczki kielichowej UB11.D302. Całość cynkowana ogniowo. Na życzenie cynkowanie galwaniczne. Szczelność połączenia zapewnia okrągła uszczelka gumowa UB11.D305. Rozmieszczenie garbów uwzględnia montaż z wężem ssącym przy pomocy opaski zaciskowej. Do szybkozłącza o średnicy 50 i 76 mm zamiast rury cienkościennej może być wspawana rura grubościenna staczana na wymiar dla uzyskania garbów i faz.
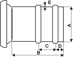
Dane techniczne
|
Numer katalogowy
|
Wytłoczka kielichowa
|
Na wąż ssący
[mm]
|
Wymiar
[mm]
|
Waga [kg]
|
![]() |
||||
|
A
|
B
|
C
|
D
|
E
|
|||||
|
B235,310,B50
|
HK50
|
50
|
57
|
130
|
40
|
20
|
2
|
0,36
|
|
|
B235,310,B63
|
HK76
|
63
|
66
|
125
|
40
|
30
|
2
|
0,40
|
|
|
B235,310,B75
|
HK76
|
75
|
75
|
125
|
45
|
30
|
2
|
0,5
|
|
|
B235,310,B90
|
HK89
|
90
|
89
|
125
|
45
|
30
|
2
|
0,9
|
|
|
B235,310,B100
|
HK108
|
100
|
100
|
130
|
45
|
30
|
3
|
1,3
|
|
|
B235,310,B110
|
HK108
|
110
|
108
|
130
|
45
|
30
|
3
|
1,4
|
|
|
B235,310,B125
|
HK133
|
125
|
125
|
135
|
50
|
30
|
3
|
1,8
|
|
|
B235,310,B150
|
HK159
|
150
|
150
|
155
|
55
|
35
|
3
|
2,6
|
|
|
B235,310,B200
|
HK194
|
200
|
200
|
230
|
60
|
50
|
3
|
5,2
|
|
Powyższe wymiary mają charakter orientacyjny i mogą się różnić w zależności od danej partii okuć i zamówienia.
ŁUKOMET wykonuje również okucia w systemie BAUER ze stali kwasoodpornej lub aluminium, obsadzane na gorąco na rurach PE, oraz w innych systemach także w średnicach powyżej 200 mm, i inne.
Do węży tłocznych wykonywane są podobne okucia z dłuższą mufą. Mają wówczs 3 przegarbienia zamiast 2.
Aby uzyskać szczegółowe informacje na temat cen naszych produktów, prosimy o kontakt poprzez formularz na stronie lub wysłanie wiadomości e-mail na adres lukomet@lukomet.pl.
Odpowiemy tak szybko, jak to możliwe, podając indywidualną ofertę.
KontaktPrzeznaczenie i zakres stosowania
Przeznaczone są do oprawiania zbrojonych węży ssących z PCV lub gumowych o średnicach od 50 do 200 mm układów ssących pompowni deszczownianych. Umożliwiają łatwy montaż i demontaż z innymi elementami układu ssącego zakończonymi szybkozłączami męskimi typu BAUER. Zapewniają pełną szczelność, błyskawiczne połączenie jednym ruchem ręki i swobodę zmiany kierunku połączenia w zakresie do 15O. System BAUER jest najczęściej stosowanym przez ŁUKOMET systemem połączeń deszczownianych.
Solidne okucia szybkozłączne węży ssących mogą być stosowane również do łączenia elementów tłocznych. Łagodnie ukształtowane garby sprawiają że są niezastąpione przy oprawianiu wrażliwych na miejscowe zrywanie osnowy, węży elastycznych typu flatt z PCV. Jakkolwiek, wymiar wewnętrzny węża tłocznego powinien odpowiadać wymiarowi karbowanego elementu okucia, z tolerancją + 2%, Ciśnienie robocze do 12 Atm, do wody czystej.
Konstrukcja i komplementacja
Okucie B235.310 spawane jest w osłonie CO2 z elementów z miękkiej stali konstrukcyjnej (np S235SJ, DD11): cienkościennej rury podwójnie karbowanej i wytłoczki kielichowej UB11.D302. Całość cynkowana ogniowo. Na życzenie cynkowanie galwaniczne. Szczelność połączenia zapewnia okrągła uszczelka gumowa UB11.D305. Rozmieszczenie garbów uwzględnia montaż z wężem ssącym przy pomocy opaski zaciskowej. Do szybkozłącza o średnicy 50 i 76 mm zamiast rury cienkościennej może być wspawana rura grubościenna staczana na wymiar dla uzyskania garbów i faz.
Dane techniczne
|
Numer katalogowy
|
Wytłoczka kielichowa
|
Na wąż ssący
[mm]
|
Wymiar
[mm]
|
Waga [kg]
|
![]() |
||||
|
A
|
B
|
C
|
D
|
E
|
|||||
|
B235,310,B50
|
HK50
|
50
|
57
|
130
|
40
|
20
|
2
|
0,36
|
|
|
B235,310,B63
|
HK76
|
63
|
66
|
125
|
40
|
30
|
2
|
0,40
|
|
|
B235,310,B75
|
HK76
|
75
|
75
|
125
|
45
|
30
|
2
|
0,5
|
|
|
B235,310,B90
|
HK89
|
90
|
89
|
125
|
45
|
30
|
2
|
0,9
|
|
|
B235,310,B100
|
HK108
|
100
|
100
|
130
|
45
|
30
|
3
|
1,3
|
|
|
B235,310,B110
|
HK108
|
110
|
108
|
130
|
45
|
30
|
3
|
1,4
|
|
|
B235,310,B125
|
HK133
|
125
|
125
|
135
|
50
|
30
|
3
|
1,8
|
|
|
B235,310,B150
|
HK159
|
150
|
150
|
155
|
55
|
35
|
3
|
2,6
|
|
|
B235,310,B200
|
HK194
|
200
|
200
|
230
|
60
|
50
|
3
|
5,2
|
|
Powyższe wymiary mają charakter orientacyjny i mogą się różnić w zależności od danej partii okuć i zamówienia.
ŁUKOMET wykonuje również okucia w systemie BAUER ze stali kwasoodpornej lub aluminium, obsadzane na gorąco na rurach PE, oraz w innych systemach także w średnicach powyżej 200 mm, i inne.
Do węży tłocznych wykonywane są podobne okucia z dłuższą mufą. Mają wówczs 3 przegarbienia zamiast 2.

