Pompy do silników serii SK
Przeznaczenie
Zostały zaprojektowane i wyprodukowane z przeznaczeniem do napędu od silników spalinowych lub elektrycznych dla szerokiego zakresu odbiorców, do wody czystej. W rolnictwie stosowane są zarówno do nawodnień ciśnie-niowych jak i wszędzie w gospodarstwach gdzie wymagane jest uzyskiwanie wysokich ciśnień. Sprzęgane z silnikami o odpowiednio dobranej mocy i prędkości obrotowej, poprzez wkładkę elastyczną lub wał przegubowy dla zniwelowania nieosiowości wałów. Może być stosowana do instalacji stałych i mobilnych, transportu cieczy, zaopatrzenia w wodę, dla celów przeciwpożarowych, do naśnieżania stoków, w górnictwie, do mycia, itp.
Budowa
Jest to monoblok pompy wielostopniowej z wałem poziomym. Części hydrauliczne wykonane są jako odlewy z wysokiej jakości żeliwa. Wirniki zamknięte również jako odlewy żeliwne wyważane łatwe do demontażu. Sznurowe uszczelnienie wału. Tuleje uszczelnienia zapobiegają nadmiernemu zużywaniu się wału. Wał podparty na łożyskach kulkowych w kąpieli olejowej i zakończony wpustem na klin do sprzęgania z silnikiem. Cała pompa mocowana w podstawie do ramy pompowni. Dostępne są pompy o tych samych parametrach, ale mocowane bezpośrednio na obudowie sprzęgła wg norm SAE.
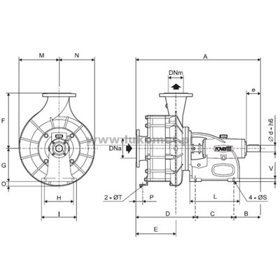
Wymiary ogólne dla wybranych modeli
|
Numer katalogowy
|
Wymiar [mm]
|
Masa [kg]
|
||||||||||
|
Dna
|
DNm
|
A
|
B
|
C
|
D
|
E
|
F
|
G
|
H
|
M+N
|
||
|
D110.S1K50/3E
|
50
|
40
|
559
|
106
|
140
|
313
|
234
|
180
|
140
|
125
|
280
|
56
|
|
D110.S2K65/3E
|
65
|
50
|
655
|
119
|
175
|
361
|
270
|
240
|
160
|
145
|
342
|
85
|
|
D110.S2K80/3E
|
80
|
65
|
662
|
119
|
175
|
368
|
275
|
260
|
160
|
145
|
365
|
89
|
|
D110.S3K100/2E
|
100
|
80
|
716
|
148
|
230
|
338
|
237
|
330
|
200
|
175
|
460
|
118
|
|
D110.S4K125/2G
|
125
|
100
|
907
|
197
|
300
|
410
|
280
|
400
|
280
|
240
|
552
|
236
|
|
D110.S4K150/2G
|
150
|
125
|
922
|
197
|
300
|
425
|
295
|
420
|
280
|
240
|
585
|
263
|
|
Numer katalogowy
|
Obroty
|
X
|
Wydajność [m3/h]
|
|||||||||||||
|
15
|
24
|
30
|
36
|
48
|
54
|
60
|
72
|
96
|
120
|
165
|
210
|
270
|
||||
|
D110.S1K50/3E
|
2900
|
1- Podnoszenie [m]
2- Zapotrzebow. mocy [kW]
|
1
|
112
|
99
|
85
|
68
|
|
|
|
|
|
|
|
|
|
|
2
|
10,3
|
12,4
|
13,6
|
14,4
|
|
|
|
|
|
|
|
|
|
|||
|
D110.S2K65/3E
|
2300
|
1
|
|
122
|
116
|
109
|
92
|
80
|
|
|
|
|
|
|
|
|
|
2
|
|
15,2
|
16,8
|
18,4
|
21,2
|
22,3
|
|
|
|
|
|
|
|
|||
|
D110.S2K80/3E
|
2300
|
1
|
|
|
|
124
|
120
|
117
|
114
|
105
|
83
|
|
|
|
|
|
|
2
|
|
|
|
21,6
|
24,7
|
26,1
|
27,5
|
29,9
|
33,3
|
|
|
|
|
|||
|
D110.S3K100/2E
|
2000
|
1
|
|
|
|
|
|
|
120
|
118
|
114
|
107
|
|
|
|
|
|
2
|
|
|
|
|
|
|
33,6
|
36,8
|
43,3
|
49,3
|
|
|
|
|||
|
D110.S4K125/2G
|
1800
|
1
|
|
|
|
|
|
|
|
|
129
|
128
|
122
|
110
|
|
|
|
2
|
|
|
|
|
|
|
|
|
61,0
|
67,7
|
81
|
92
|
|
|||
|
D110.S4K150/2G
|
1800
|
1
|
|
|
|
|
|
|
|
|
|
133
|
130
|
128
|
119
|
|
|
2
|
|
|
|
|
|
|
|
|
|
76,5
|
90
|
103
|
121
|
|||
Aby uzyskać szczegółowe informacje na temat cen naszych produktów, prosimy o kontakt poprzez formularz na stronie lub wysłanie wiadomości e-mail na adres lukomet@lukomet.pl.
Odpowiemy tak szybko, jak to możliwe, podając indywidualną ofertę.
KontaktPrzeznaczenie
Zostały zaprojektowane i wyprodukowane z przeznaczeniem do napędu od silników spalinowych lub elektrycznych dla szerokiego zakresu odbiorców, do wody czystej. W rolnictwie stosowane są zarówno do nawodnień ciśnie-niowych jak i wszędzie w gospodarstwach gdzie wymagane jest uzyskiwanie wysokich ciśnień. Sprzęgane z silnikami o odpowiednio dobranej mocy i prędkości obrotowej, poprzez wkładkę elastyczną lub wał przegubowy dla zniwelowania nieosiowości wałów. Może być stosowana do instalacji stałych i mobilnych, transportu cieczy, zaopatrzenia w wodę, dla celów przeciwpożarowych, do naśnieżania stoków, w górnictwie, do mycia, itp.
Budowa
Jest to monoblok pompy wielostopniowej z wałem poziomym. Części hydrauliczne wykonane są jako odlewy z wysokiej jakości żeliwa. Wirniki zamknięte również jako odlewy żeliwne wyważane łatwe do demontażu. Sznurowe uszczelnienie wału. Tuleje uszczelnienia zapobiegają nadmiernemu zużywaniu się wału. Wał podparty na łożyskach kulkowych w kąpieli olejowej i zakończony wpustem na klin do sprzęgania z silnikiem. Cała pompa mocowana w podstawie do ramy pompowni. Dostępne są pompy o tych samych parametrach, ale mocowane bezpośrednio na obudowie sprzęgła wg norm SAE.
Wymiary ogólne dla wybranych modeli
|
Numer katalogowy
|
Wymiar [mm]
|
Masa [kg]
|
||||||||||
|
Dna
|
DNm
|
A
|
B
|
C
|
D
|
E
|
F
|
G
|
H
|
M+N
|
||
|
D110.S1K50/3E
|
50
|
40
|
559
|
106
|
140
|
313
|
234
|
180
|
140
|
125
|
280
|
56
|
|
D110.S2K65/3E
|
65
|
50
|
655
|
119
|
175
|
361
|
270
|
240
|
160
|
145
|
342
|
85
|
|
D110.S2K80/3E
|
80
|
65
|
662
|
119
|
175
|
368
|
275
|
260
|
160
|
145
|
365
|
89
|
|
D110.S3K100/2E
|
100
|
80
|
716
|
148
|
230
|
338
|
237
|
330
|
200
|
175
|
460
|
118
|
|
D110.S4K125/2G
|
125
|
100
|
907
|
197
|
300
|
410
|
280
|
400
|
280
|
240
|
552
|
236
|
|
D110.S4K150/2G
|
150
|
125
|
922
|
197
|
300
|
425
|
295
|
420
|
280
|
240
|
585
|
263
|
|
Numer katalogowy
|
Obroty
|
X
|
Wydajność [m3/h]
|
|||||||||||||
|
15
|
24
|
30
|
36
|
48
|
54
|
60
|
72
|
96
|
120
|
165
|
210
|
270
|
||||
|
D110.S1K50/3E
|
2900
|
1- Podnoszenie [m]
2- Zapotrzebow. mocy [kW]
|
1
|
112
|
99
|
85
|
68
|
|
|
|
|
|
|
|
|
|
|
2
|
10,3
|
12,4
|
13,6
|
14,4
|
|
|
|
|
|
|
|
|
|
|||
|
D110.S2K65/3E
|
2300
|
1
|
|
122
|
116
|
109
|
92
|
80
|
|
|
|
|
|
|
|
|
|
2
|
|
15,2
|
16,8
|
18,4
|
21,2
|
22,3
|
|
|
|
|
|
|
|
|||
|
D110.S2K80/3E
|
2300
|
1
|
|
|
|
124
|
120
|
117
|
114
|
105
|
83
|
|
|
|
|
|
|
2
|
|
|
|
21,6
|
24,7
|
26,1
|
27,5
|
29,9
|
33,3
|
|
|
|
|
|||
|
D110.S3K100/2E
|
2000
|
1
|
|
|
|
|
|
|
120
|
118
|
114
|
107
|
|
|
|
|
|
2
|
|
|
|
|
|
|
33,6
|
36,8
|
43,3
|
49,3
|
|
|
|
|||
|
D110.S4K125/2G
|
1800
|
1
|
|
|
|
|
|
|
|
|
129
|
128
|
122
|
110
|
|
|
|
2
|
|
|
|
|
|
|
|
|
61,0
|
67,7
|
81
|
92
|
|
|||
|
D110.S4K150/2G
|
1800
|
1
|
|
|
|
|
|
|
|
|
|
133
|
130
|
128
|
119
|
|
|
2
|
|
|
|
|
|
|
|
|
|
76,5
|
90
|
103
|
121
|
|||
