Pompy do silników serii SP
Przeznaczenie
Zostały zaprojektowane i wyprodukowane z przeznaczeniem do napędu od silników spalinowych lub elektrycznych dla szerokiego zakresu odbiorców, do wody czystej. W rolnictwie stosowane są zarówno do nawodnień ciśnie-niowych jak i wszędzie w gospodarstwach gdzie wymagana jest płaska charakterystyka pracy i prosta obsługa. Sprzęgane z silnikami o odpowiednio dobranej mocy i prędkości obrotowej, poprzez wkładkę elastyczną lub wał przegubowy dla zniwelowania nieosiowości wałów. Może być stosowana do instalacji stałych i mobilnych, transportu cieczy, podnoszenia, dla celów przeciwpożarowych, do napełniania zbiorników, odwadniania, opróżniania cystern, itp.
Budowa
Jest to monoblok pompy jednostopniowej z wałem poziomym. Części hydrauliczne wykonane są jako odlewy z wysokiej jakości żeliwa. Wirnik zamknięty również jako odlew żeliwny wyważany łatwy do ewentualnego demontażu. Sznurowe uszczelnienie wału. Tuleja uszczelnienia zapobiega nadmiernemu zużywaniu się wału. Wał podparty na łożyskach kulkowych w kąpieli olejowej i zakończony wpustem na klin do sprzęgania z silnikiem. Cała pompa mocowana w podstawie do ramy pompowni. Dostępne są pompy o tych samych parametrach, ale mocowane bezpośrednio na obudowie sprzęgła wg norm SAE.
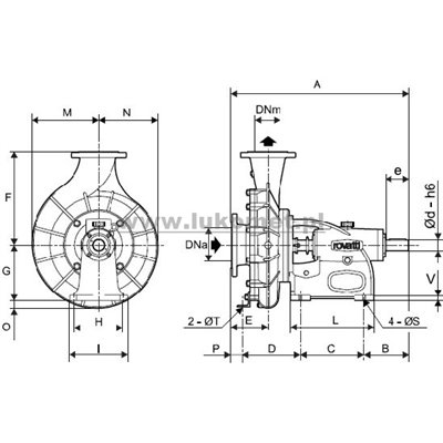
Wymiary ogólne dla wybranych modeli
|
Numer katalogowy |
Wymiar [mm] |
Masa [kg] |
||||||||||
|
Dna |
DNm |
A |
B |
C |
D |
E |
F |
G |
H |
M+N |
||
|
D110.S2P80A |
80 |
65 |
480 |
119 |
175 |
186 |
105 |
195 |
160 |
145 |
288 |
43 |
|
D110.S3P100M |
100 |
80 |
582 |
149 |
230 |
203 |
110 |
260 |
200 |
175 |
392 |
62 |
|
D110.S3P125K |
125 |
100 |
681 |
160 |
230 |
253 |
155 |
400 |
200 |
175 |
552 |
135 |
|
D110.S4P125K |
125 |
100 |
782 |
197 |
300 |
285 |
155 |
400 |
280 |
240 |
552 |
168 |
Charakterystyki pracy
|
Numer katalogowy |
Obroty |
X |
Wydajność [m3/h] |
||||||||||
|
36 |
48 |
54 |
60 |
72 |
96 |
120 |
165 |
210 |
225 |
||||
|
D110.S2P80A-E |
2900 |
1- Podnoszenie [m] ¯ 2- Zapotrz. mocy [kW] ¯ |
1 |
50 |
50 |
50 |
49 |
47 |
41 |
|
|
|
|
|
2 |
8,9 |
9,8 |
10,4 |
11,0 |
12,3 |
14,3 |
|
|
|
|
|||
|
D110.S3P100M-E |
2900 |
1 |
|
|
|
77 |
77 |
77 |
76 |
72 |
|
|
|
|
2 |
|
|
|
28,0 |
29,0 |
31,1 |
35,3 |
41,7 |
|
|
|||
|
D110.S3P125K-F |
2000 |
1 |
|
|
|
|
|
102 |
101 |
98 |
81 |
|
|
|
2 |
|
|
|
|
|
50 |
56,6 |
67,8 |
75,1 |
|
|||
| Podstawowe | |
| Wysokość podnoszenia [m]: | 0 - 104 |
| Wydajność [m3/h]: | 0 - 225 |
Aby uzyskać szczegółowe informacje na temat cen naszych produktów, prosimy o kontakt poprzez formularz na stronie lub wysłanie wiadomości e-mail na adres lukomet@lukomet.pl.
Odpowiemy tak szybko, jak to możliwe, podając indywidualną ofertę.
KontaktPrzeznaczenie
Zostały zaprojektowane i wyprodukowane z przeznaczeniem do napędu od silników spalinowych lub elektrycznych dla szerokiego zakresu odbiorców, do wody czystej. W rolnictwie stosowane są zarówno do nawodnień ciśnie-niowych jak i wszędzie w gospodarstwach gdzie wymagana jest płaska charakterystyka pracy i prosta obsługa. Sprzęgane z silnikami o odpowiednio dobranej mocy i prędkości obrotowej, poprzez wkładkę elastyczną lub wał przegubowy dla zniwelowania nieosiowości wałów. Może być stosowana do instalacji stałych i mobilnych, transportu cieczy, podnoszenia, dla celów przeciwpożarowych, do napełniania zbiorników, odwadniania, opróżniania cystern, itp.
Budowa
Jest to monoblok pompy jednostopniowej z wałem poziomym. Części hydrauliczne wykonane są jako odlewy z wysokiej jakości żeliwa. Wirnik zamknięty również jako odlew żeliwny wyważany łatwy do ewentualnego demontażu. Sznurowe uszczelnienie wału. Tuleja uszczelnienia zapobiega nadmiernemu zużywaniu się wału. Wał podparty na łożyskach kulkowych w kąpieli olejowej i zakończony wpustem na klin do sprzęgania z silnikiem. Cała pompa mocowana w podstawie do ramy pompowni. Dostępne są pompy o tych samych parametrach, ale mocowane bezpośrednio na obudowie sprzęgła wg norm SAE.
Wymiary ogólne dla wybranych modeli
|
Numer katalogowy |
Wymiar [mm] |
Masa [kg] |
||||||||||
|
Dna |
DNm |
A |
B |
C |
D |
E |
F |
G |
H |
M+N |
||
|
D110.S2P80A |
80 |
65 |
480 |
119 |
175 |
186 |
105 |
195 |
160 |
145 |
288 |
43 |
|
D110.S3P100M |
100 |
80 |
582 |
149 |
230 |
203 |
110 |
260 |
200 |
175 |
392 |
62 |
|
D110.S3P125K |
125 |
100 |
681 |
160 |
230 |
253 |
155 |
400 |
200 |
175 |
552 |
135 |
|
D110.S4P125K |
125 |
100 |
782 |
197 |
300 |
285 |
155 |
400 |
280 |
240 |
552 |
168 |
Charakterystyki pracy
|
Numer katalogowy |
Obroty |
X |
Wydajność [m3/h] |
||||||||||
|
36 |
48 |
54 |
60 |
72 |
96 |
120 |
165 |
210 |
225 |
||||
|
D110.S2P80A-E |
2900 |
1- Podnoszenie [m] ¯ 2- Zapotrz. mocy [kW] ¯ |
1 |
50 |
50 |
50 |
49 |
47 |
41 |
|
|
|
|
|
2 |
8,9 |
9,8 |
10,4 |
11,0 |
12,3 |
14,3 |
|
|
|
|
|||
|
D110.S3P100M-E |
2900 |
1 |
|
|
|
77 |
77 |
77 |
76 |
72 |
|
|
|
|
2 |
|
|
|
28,0 |
29,0 |
31,1 |
35,3 |
41,7 |
|
|
|||
|
D110.S3P125K-F |
2000 |
1 |
|
|
|
|
|
102 |
101 |
98 |
81 |
|
|
|
2 |
|
|
|
|
|
50 |
56,6 |
67,8 |
75,1 |
|
|||
| Podstawowe | |
| Wysokość podnoszenia [m]: | 0 - 104 |
| Wydajność [m3/h]: | 0 - 225 |
